AXBB-E
Popis
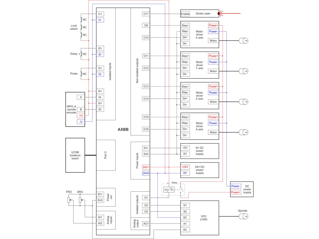
Představujeme AXBB-E - profesionální Ethernet motion controller a breakout board v jednom od CNCdrive. Toto kompaktní zařízení kombinuje výkonný motion controller s plnohodnotným breakout boardem a poskytuje kompletní řešení pro řízení CNC strojů až se 6 osami.
"AXBB-E je geniální řešení, které spojuje motion controller a breakout board do jednoho kompaktního zařízení. Místo složitého propojování více desek máte vše v jednom - Ethernet připojení, izolované vstupy/výstupy, analogový výstup pro vřeteno, charge pump. Pro mě je to ideální základ pro stavbu profesionálního CNC stroje s maximální spolehlivostí a minimem kabeláže."
HLAVNÍ VÝHODY:
- ✅ Ethernet komunikace: Rychlé a spolehlivé připojení k PC bez USB problémů
- ✅ Až 6 os: Řízení komplexních CNC strojů s více osami
- ✅ Vysoká frekvence: Až 400 kHz pro plynulé pohyby a vysokou přesnost
- ✅ Izolované I/O: 8 izolovaných výstupů + 6 izolovaných vstupů pro bezpečnost
- ✅ 9 neizolovaných výstupů: Pro step/direction signály, laser PWM
- ✅ Analogový výstup: 0-5V/0-10V (jumper) pro řízení VFD měničů
- ✅ 2 analogové vstupy: Pro feedrate a spindle override potenciometry
- ✅ Charge pump: Izolovaný bezpečnostní výstup
- ✅ Rozšiřitelnost: IDC26 port pro připojení dalších breakout boardů
- ✅ MPG port: Pro připojení manuálního ovladače
- ✅ Univerzální kompatibilita: Podporuje UCCNC, Mach3 a Mach4
IDEÁLNÍ PRO:
- ✅ Stavbu profesionálních CNC frézek a soustruhů
- ✅ Upgrade stávajících CNC strojů na Ethernet řízení
- ✅ Aplikace vyžadující vysokou přesnost a spolehlivost
- ✅ Stroje s více osami (4, 5, 6 os)
- ✅ Průmyslové a komerční použití
- ✅ Vzdělávací instituce a školy
- ✅ Laserové řezačky s PWM řízením
- ✅ Plazmové řezačky s THC
TECHNICKÁ SPECIFIKACE:
Základní parametry:
- Počet os: Až 6 os (step/direction)
- Maximální frekvence: 400 kHz (volitelné: 25, 50, 100, 200, 400 kHz)
- Komunikace: Ethernet 10/100 Mbit/s
- Napájení: 5V @ 500 mA (pro logiku) + 12-24V DC (pro izolované I/O)
- Výrobce: CNCdrive, Maďarsko
Neizolované výstupy (pro step/direction):
- Počet: 9 bufferovaných TTL výstupů
- Napětí: 0-5V (TTL logika)
- Proud: Max 20 mA
- Použití:
- Step/direction signály pro motory (8 pinů = 4 osy dedikované)
- Laser PWM řízení
- Další rychlé signály
- Vlastnosti:
- Vysoká rychlost pro přesné řízení
- Buffered pro ochranu procesoru
- Softwarově konfigurovatelné pro všech 6 os
Izolované výstupy:
- Počet: 8 opticky izolovaných výstupů
- Typ: Open-drain N-channel power Mosfet
- Napětí: Až 24V DC
- Proud: Typicky několik set mA (přesná hodnota není v dokumentaci)
- Rychlost optoisolátorů: 10 Mbit/s
- Použití:
- Řízení relé a SSR
- Laser enable
- Coolant, mist, flood
- Spindle enable
- Vacuum/dust collector
- LED indikace: Každý výstup má vlastní LED
Izolované vstupy:
- Počet: 6 opticky izolovaných vstupů
- Typ: Vysokorychlostní optoisolátory
- Napěťový rozsah: 12-24V DC (typicky), až 30V max
- Sériový odpor: 2,2 kΩ
- Rychlost: Až 10 Mbit/s
- Kompatibilita: NPN, PNP, push-pull, line driver výstupy
- Použití:
- Limit switches
- Home switches
- Probe input
- E-stop
- Door switch
- Další bezpečnostní vstupy
Analogové vstupy:
- Počet: 2 analogové vstupy
- Rozsah: 0-5V
- Použití:
- Feedrate override (plynulá změna rychlosti posuvu)
- Spindle override (plynulá změna otáček vřetena)
- Připojení: Pro potenciometry 1-10 kΩ
Analogový výstup:
- Počet: 1 analogový výstup
- Rozsah: 0-5V nebo 0-10V (volitelné jumperem)
- Použití: Řízení VFD frekvenčních měničů (spindle speed)
- Rozlišení: Vysoké rozlišení pro přesné řízení otáček
Bezpečnostní funkce - Charge pump:
- Počet: 1 izolovaný charge pump výstup
- Typ: N-channel power Mosfet
- Funkce:
- Automatická kontrola komunikace mezi PC a controllerem
- Při ztrátě spojení se charge pump zastaví
- Drivery se automaticky deaktivují
- Ochrana proti nekontrolovanému pohybu
Rozšiřující IDC26 port:
- Počet: 1x IDC26 port
- Pinout: Standardní LPT pinout
- I/O: 12 výstupů + 5 vstupů (neizolované)
- Použití: Připojení dalších breakout boardů
- UCSB (5 izol. vstupů + 12 izol. výstupů)
- UCBB (18 izol. vstupů + 16 izol. výstupů)
- Jiné LPT kompatibilní breakout boardy
MPG port (manuální ovladač):
- Funkce: Připojení manuálního ovladače (handwheel)
- Použití: Ruční ovládání os při seřizování stroje
- Podpora: Plná podpora v UCCNC softwaru
Spindle encoder vstup:
- Funkce: Vstup pro encoder vřetena
- Použití:
- Rigid tapping (závitování s synchronizací)
- Threading (řezání závitů na soustruhu)
- Přesná synchronizace s otáčkami vřetena
SOFTWAROVÁ KOMPATIBILITA:
UCCNC (doporučeno):
- ✅ Nativní podpora všech funkcí AXBB-E
- ✅ RS274 G/M-code interpreter
- ✅ Neomezené uživatelské makra
- ✅ Exact stop a continuous velocity interpolation
- ✅ G54-G59 work offsets
- ✅ 3D toolpath viewer
- ✅ Rigid tapping (G33.1/G33.2)
- ✅ Backlash kompenzace
- ✅ MPG (manuální ovladač) podpora
- ✅ Základní CAM s DXF importem
- ✅ Plugin rozhraní (C#/VB/C++)
- ✅ THC (Torch Height Control) pro plazmu
Mach3:
- ✅ Plná kompatibilita
- ✅ Všechny standardní funkce
- ✅ Plugin pro AXBB-E
Mach4:
- ✅ Plná kompatibilita
- ✅ Moderní uživatelské rozhraní
- ✅ Plugin pro AXBB-E
KONFIGURACE OS:
- 8 dedikovaných neizolovaných step/dir pinů pro 4 osy (X, Y, Z, A)
- Softwarově konfigurovatelné pro všech 6 os
- Flexibilní přiřazení pinů podle potřeby
- Podpora master/slave konfigurace (např. 2 motory na Y ose)
- Možnost použití IDC26 portu pro další osy
APLIKACE:
- 🔧 CNC frézky: 3, 4, 5 nebo 6osé stroje
- 🔧 CNC soustruhy: S řízenou osou C a rigid tapping
- 🔥 Plazmové řezačky: S THC (Torch Height Control)
- ⚡ Laserové řezačky: S PWM řízením výkonu
- ✍️ Gravírovací stroje: Vysoká přesnost a rychlost
- 🤖 Robotické aplikace: Komplexní pohybové sekvence
- 🪚 Vodní paprsky: Přesné řízení pohybu
ROZSAH DODÁVKY:
- ✅ AXBB-E motion controller a breakout board
- ✅ Napájecí kabel
- ✅ Ethernet kabel
- ✅ Montážní příslušenství
- ✅ Přístup k dokumentaci a software
INSTALACE A NASTAVENÍ:
AXBB-E se jednoduše připojí k PC pomocí Ethernet kabelu (přímé připojení nebo přes router/switch). Napájení se připojí k napájecím svorkám (5V + 12-24V). Konfigurace se provádí v softwaru UCCNC (doporučeno), Mach3 nebo Mach4. Všechny parametry včetně frekvence kroků, pinů, vstupů a výstupů jsou plně konfigurovatelné podle vašich potřeb.
📊 SROVNÁNÍ S BREAKOUT BOARDY:
| Model | Typ | Vstupy | Výstupy | Speciální funkce |
|---|---|---|---|---|
| HDBB2 | Breakout board | 5 izol. | 4 Mosfet (50V) | 4x RJ45 pro osy |
| UCBB | Breakout board | 18 izol. | 16 izol. | Dual-port, max I/O |
| UCSB | Breakout board | 5 izol. | 12 izol. | Single-port, kompaktní |
| AXBB-E | Motion controller | 6 izol. + 5 na IDC26 | 8 izol. + 9 TTL + 12 na IDC26 | Ethernet, 400kHz, 6 os, analog I/O, MPG |
💡 KLÍČOVÉ VÝHODY AXBB-E:
- 🌐 Ethernet komunikace - Žádné LPT nebo USB problémy
- 🎯 Kompletní řešení - Motion controller + breakout board v jednom
- ⚡ 400 kHz frekvence - Nejvyšší rychlost pro plynulé pohyby
- 🔢 Až 6 os - Pro komplexní stroje
- 🔌 Rozšiřitelnost - IDC26 port pro další breakout boardy
- 📊 Analogové I/O - 2 vstupy + 1 výstup (0-5V/0-10V)
- 🎮 MPG port - Pro manuální ovladač
- 🔒 Charge pump - Izolovaný bezpečnostní výstup
- 💪 Kombinace I/O - Izolované + neizolované výstupy
POZNÁMKA:
Pro kompletní CNC systém je nutné dokoupit:
- ⚙️ Krokové nebo servo motory
- 🔌 Drivery motorů (step/direction typ)
- 🔋 Napájecí zdroj pro motory (24-80V DC typicky)
- 🔴 Koncové spínače a emergency stop
- 💻 Software licence (UCCNC doporučeno)
- 🔧 Mechanické komponenty (lineární vedení, kuličkové šrouby, atd.)
KDY ZVOLIT AXBB-E:
AXBB-E zvolte, pokud:
- ✅ Chcete kompletní řešení (motion controller + breakout board)
- ✅ Potřebujete Ethernet připojení (bez LPT portu na PC)
- ✅ Vyžadujete vysokou frekvenci (až 400 kHz)
- ✅ Stavíte víceosý stroj (4, 5, 6 os)
- ✅ Potřebujete analogový výstup pro VFD
- ✅ Chcete MPG port pro manuální ovladač
- ✅ Plánujete rigid tapping nebo threading
- ✅ Chcete možnost rozšíření přes IDC26 port
AXBB-E NEZVOLTE, pokud:
- ❌ Už máte motion controller (UC300ETH) - pak stačí breakout board
- ❌ Potřebujete více než 6+5=11 izolovaných vstupů (pak přidejte UCBB)
- ❌ Chcete přímé připojení motorů přes RJ45 (pak přidejte HDBB2)
ZÁVĚR:
AXBB-E je nejkomplexnější řešení v portfoliu CNCdrive - kombinuje motion controller a breakout board v jednom kompaktním zařízení. S Ethernet komunikací, až 400 kHz frekvencí, 6 osami, analogovými I/O, MPG portem a možností rozšíření přes IDC26 port představuje ideální základ pro stavbu profesionálního CNC stroje.
Je to all-in-one řešení, které eliminuje potřebu složitého propojování více desek a poskytuje maximální spolehlivost a výkon i pro náročné aplikace.
Buďte první, kdo napíše příspěvek k této položce.
